欢迎您来到 国集采商城!
登录
注册
400-688-9086
国集采App
百度助手下载
应用宝下载
App Store 下载
购物车
0
搜 索
空调
中性笔
手机
档案盒
固态硬盘
插座
全部商品
办公用品
办公电器
空调/配件
电源/充电器
饮水机
冰箱
电风扇
消毒柜
除湿器
排风扇
办公耗材
激光打印机/传真机硒鼓
复印机/复合机墨粉
办公配件
电脑配件
电器配件
手机配件
办公日用
照明灯具及配件
生活用纸
折叠床/床上用品
洗涤用品
货架/置物架
窗帘/窗纱
茶具用品
文体用品
清洁工具
驱虫用品
办公设备
打印机
数码设备
电话机
扫描设备
档案柜
考勤机
门禁机
办公文具
桌面文具
装订用品
电脑周边
平板电脑
移动硬盘及附件
优盘
鼠标键盘及附件
网络产品及附件
摄像头
数据线缆
电子产品
存储卡
手写板
食品饮料
粮油
非酒精饮料
干果
饼干/糕点
茶包/茶叶
调味品
纯净水
展示用品
白板及附件
展板/展柜
指示牌
展示铭牌
家具及厨具
厨房用具
厨具用品
厨房配件
厨房清洁用品
卫浴用具
卫浴用品
劳保安防/箱包
多功能包
帆布包
电工包
休闲运动包
穿戴服饰
休闲鞋
围裙
救灾用品
反光雨衣
冲锋艇
救生衣
防雨布
防汛沙袋
封堵剂
应急照明设备
警示隔离带
警示灯
防洪挡水板
防护用具
冲锋衣
防护面屏
劳保手套
防护眼镜
防护鞋
防滑/防水鞋
五金建材
电工电料
配线器材
铜导体
线缆辅件
装修建材
钢材
油漆涂料/化工辅料
型材/板材
家装锁具
五金用品
五金件
丝类
空调配件
紧固密封件
紧固件
密封件
泵/阀及管路
给排水管件
仪器仪表
电子测量
电流表
电压表
欧姆表
功率表
万用表
验电测试仪
电阻测试仪
环境监测
气压测量仪
多功能环境测试仪
气体检测报警仪
超声波成像仪
实验检测
电缆故障定位仪
耐压特性试验仪
化学成份类测试仪
试验线
试验夹子
工业监测
红外热像仪
激光测距仪
开关特性仪
无线信号测试仪
二次仪表
通信仪表
通用信息设备
数据设备
集线器
通信线缆
网络线
卫星通信
卫星设备
工器具
安全围栏
安全围网
围栏
安全警示带
红布帘
路锥
生产工具
安全围栏
设备锁具
电源线盘
登高工具
安全绳
绝缘台(绝缘凳)
脚扣
绝缘梯
安全工器具柜
安全工器具柜
一般工器具
电动工具及配件
夹持类工具
扳手类工具
紧固类工具
测量类工具
敲击类工具
角磨工具
扭力工具
切割工具
汽修工具
汽车配饰配件
汽车配饰配件
车载设备
手机架
车贴
安保消防
消防用品
消防灭火器材
防火材料
消防应急照明灯
消防应急标志灯
消防演习用品
火灾报警器
消防救援/照明设备
安全防范
防爆头盔
防割(防刺)服
防割(防刺)手套
阻车钉
防撞隔离栏(墩)
移动式拒马/水马
工业及实验用具
工业清洁
静电无尘用品
实验器材
实验室通用耗材
化学品
清洗防锈用品
水处理化学品
仓储作业器具
集装设备
周转箱
零件盒
储存设备
轻型货架
材料设备
标签打印设备
标签打印耗材
仓储物料卡
首 页
采购专区
商品定制
项目专区
报备专区
营销福利
您当前的位置:
首页
»
工器具
»
安全围栏
»
围栏
信志连成 玻璃钢绝缘伸缩管式可移动隔离栏电力安全施工围栏 1.2米*8米红白加厚
商品编号:
10714
价格
¥价格登录可见
起订量:1个
链接:
https://item.jd.com/100043197600.html
是否包邮: 包邮
库存:充足
是否含税:含税
收藏此商品
购买数量:
─
+
立即购买
加入购物车
商品图片可能会因为显示器不同产生轻微色差,请以具体收到的实物为准
中国电建、中国铁塔
商品详情
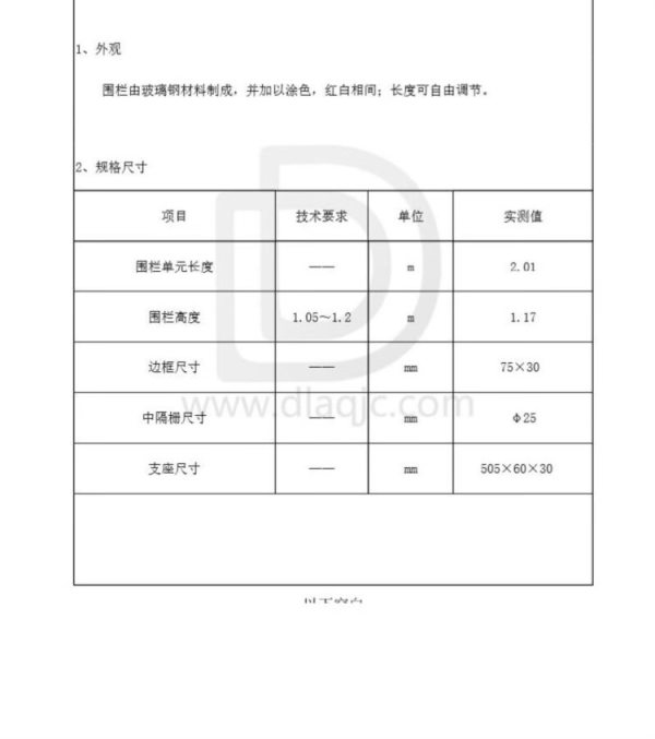
规格参数
商品名称:信志连成 玻璃钢绝缘伸缩管式可移动隔离栏电力安全施工围栏 1.2米*8米红白加厚
品牌:信志连成
商品毛重:
0.00kg
单位:个
上架时间:2025-11-18 14:42:37
在线客服
购物车
个人中心
小程序
欢迎使用国集采商城微信小程序
顶部